Three phase LFO
Introduction
This circuit, you've guessed it, generates three modulation signals spaced 120 degrees apart from each other. The wave shape is a somewhat squashed sine shape. These signals are interesting for complex patches where modulation with several LFOs would produce too much motion, and a single LFO would be too boring. I'm thinking about PWM of three oscillators, or serveral filters in parallel.
Circuit operation overview
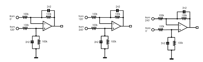
The circuit is comprised out of three parts. The actual oscillator is a phase shift oscillator built arround three gates of a 4069. The resistors which determine the frequency have been replaced by switched capacitors. The arrangement of the switch and the cap simulates a resistance, when a clocking frequency is applied to the switch. This clocking frequency is generated in a simple VCO, comprised out of the two transistors, a diode, a cap and the NAND gate. This VCO steers the frequency of the LFO. Hence we have actually a VC-LFO. The third part of the circuit does shift the outputs of the individual inverter gates so that they're centered arround 0V. The amplitude of the output is 7.5V with a 15V supply.
Circuit specialties
The 22k resistors are meant as a protection of the 4069. Normally no current flows into the input of the gate, but when a spike is present, or if the supply has a small dropout, the rather large caps would discharge into the input, turning on the protection diodes. And possibly fireing a parasitic thyristor. I've had that on my breadboard setup. The resistors are there to limit the current to safe values.
At turnon it might take a while until the oscillation starts when you select very low frequencies. Turning up the frequency initially helps.
Here is a modified buffer circuit, which produces a more sinusodial oscillation.

